RPR220 作为一款性价比极高的漫反射光电开关,凭借红外反射检测原理和紧凑结构,广泛应用于智能控制、工业检测等场景。以下从工作原理、核心特性、典型应用及电路设计要点四方面展开详细解析:

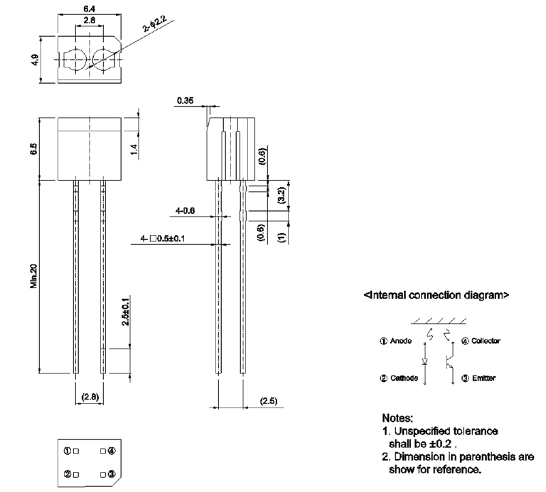
RPR220 本质是一体化反射型光电对管,核心由镓砷红外发射二极管和硅平面光电三极管组成,集成于同一封装内并内置可见光滤镜以减少环境光干扰。其检测逻辑基于物体表面反射率差异,具体过程分为三步:
- 红外发射:发射管在工作电压下持续发出特定波长的红外光(不可见光),发射强度由激励电流控制;
- 反射判断:当红外光照射到高反射率物体(如白色表面、金属件)时,光线经漫反射返回至接收管,触发光电效应使接收管导通;若照射到低反射率物体(如黑色表面、吸光材质)或无物体时,光线被吸收或散射,接收管因无反射光输入而截止;
- 信号转换:接收管的导通 / 截止状态对应不同的输出电压,需搭配比较器(如 LM324、LM339)将模拟信号转换为数字高低电平(例如:检测到物体时输出低电平,无物体时输出高电平),方便单片机(如 STM32)读取控制。
- 结构与参数:采用 DIP4 封装(4 引脚),体积紧凑(适合嵌入式设计),工作电压通常为 3-5V,检测距离典型值为 2-12cm(受物体反射率影响),响应时间短(毫秒级),可快速触发动作;
- 优势:- 单部件集成发射与接收功能,无需对射式传感器的分离安装,降低空间占用和布线成本;
- 内置滤镜抗干扰能力强,在阳光、荧光灯等复杂光照环境下仍能稳定工作;
- 价格低廉,性价比显著高于激光类光电传感器,适合批量应用;
 
- 局限性:检测距离较短,且精度依赖物体表面反射率(同距离下,白色物体比黑色物体更易被检测)。
RPR220 因适配性强,覆盖消费电子、工业自动化、机器人等多领域,以下为常见场景:
- 智能小车循迹:这是最经典的应用场景。在小车底部安装多个 RPR220,当检测到赛道黑线(低反射)时输出高电平,检测到白色路面(高反射)时输出低电平,单片机根据多传感器的电平组合判断小车位置,进而控制电机转向实现自动循迹;
- 工业检测:在复印机、打印机中检测纸张位置(纸张反射光线触发传感器,判断纸张是否到位);在包装机中检测包装膜的供送状态,避免断膜或叠膜问题;
- 智能家居与消费电子:- 智能垃圾桶:手靠近时反射红外光,传感器触发电机开盖,手离开后自动关盖;
- 扫地机器人避障:检测前方障碍物(如家具腿),触发转向规避碰撞;
- 游戏机:识别玩家手势动作(手部反射光线的变化被传感器捕捉,转化为控制信号);
 
- DIY 与嵌入式项目:例如自动翻页器(挥手反射光线触发翻页指令)、液位检测(通过液体表面反射率差异判断液位高度)等。
- 基础电路组成:需包含 RPR220 传感器、比较器(如 LM339)、分压电阻(设置基准电压)和负载(如指示灯、继电器)。例如:RPR220 的 3 脚输出电压与基准电压比较,若超过基准值则比较器输出低电平,触发负载动作;
- 多传感器扩展:若需提高检测精度(如小车循迹需 3-5 个传感器),可复用四比较器芯片(如 LM339),同时连接多个 RPR220,降低电路复杂度和成本;
- 调试注意事项:通过调节分压电阻改变基准电压,可适配不同反射率的检测目标;安装时需固定传感器与检测面的距离,避免因距离波动导致误触发。 
PS:如需RPR220样品测试,技术支持,请联系芯光电子!

芯光电子一站式供应全系列光电元件:发射管、接收管、接收头、贴片接收头、槽型光电开关、反射式光电开关、红外对管、光耦817、光敏管、贴片发射管、贴片接收管、侧射型红外发射管、侧向型红外接收管、0402/0603/0805/1206等贴片LED、照明2835灯珠等系列产品。