热门搜索: 1 IRM-3638JF ITR1204 EL2501S1(K)(TU)-G 1502 ITR2152S ITR1502 PT91-21C/TR7 IR91-21C PT91-21C/TR10 PT91-21B ITR1205 光电开关,发射接收管在三大感应的应用 pd ITR2152ST20A ITR2152ST20A/TR(SFT) ELW 20403 redirtest.acx 1<esi:include src
更新时间:2025-12-15
点击次数: IR91-21C/TR10 红外发射管
工作原理:该器件属于半导体发光器件,核心是基于半导体的电致发光效应。其内部由特定的半导体材料构成 PN 结,当在管子两端施加正向电压时,电流会从阳极流入、阴极流出,此时半导体中的电子和空穴会发生复合。在复合过程中,电子会从高能级向低能级跃迁,期间多余的能量会以红外光的形式释放出来。该发射管的峰值波长固定在 940nm,这种波长的红外光具备良好的穿透性且不易受可见光干扰,能稳定完成信号的定向传输,其辐射强度可达 3.0mW/sr@20mA,可保障短距离内信号的有效发射。
应用场景:这款贴片式发射管凭借小体积和稳定性能,应用场景广泛。在智能家居领域,可用于电视、空调等家电的红外遥控信号发射;安防监控中,能配合红外摄像头提供红外光源,助力设备实现夜视功能;工业场景里,可作为光电传感器的配套光源,用于流水线的物料检测;同时还适配人脸识别设备、智能照明系统、非接触式体温测量等医疗设备,为这些设备的红外信号传输提供支持。


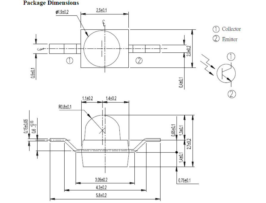
PT91-21B/TR10 接收管
工作原理:它本质是一款光电晶体管,核心原理是光电效应。其采用 NPN 型制造工艺,管体带有球面顶视镜头,接收角度达 45°,可高效捕捉匹配波长的红外光。当 IR91-21C/TR10 发射的 940nm 红外光照射到其硅基芯片上时,芯片吸收光子能量,会激发出大量载流子,使晶体管的集电极与发射极之间的导电性显著增强,集电极电流随之增大。且电流大小会随入射红外光的强度变化而改变,通过检测这一电流变化,就能将接收到的红外光信号转换为可处理的电信号。该接收管响应迅速,上升和下降时间均为 15us,能快速捕捉红外信号的变化。


应用场景:因具备高感光灵敏度、快速响应等特性,且与上述发射管光谱匹配,常与之搭配使用。在工业领域,可用于计数器和分拣机,通过接收红外信号实现物料计数与分类;也能作为位置传感器,应用于流水线工件定位、机械臂运动位置检测。在电子设备中,可用于微型开关,通过红外光的通断控制开关状态;此外还适配光栅尺、电子尺等精密测量设备,以及各类红外应用系统,保障这些设备对红外信号的精准接收与转换。

芯光电子,可提供免费样品测试,可提供产品电路,技术支持。
芯光电子主要产品包括:红外发射管,红外接收头,红外接收管,插件发射管,贴片红外发射管,红外发射接收管,光电耦合器,光电开关,反射式光电开关,槽型光电开关,对射式光电开关。发光二极管,贴片LED,插件LED,0402贴片LED,0603贴片LED,0805贴片LED,1206贴片LED,贴片双色灯等发光二极管。