热门搜索: 1 IRM IRM-3638JF ITR1204 EL2501S1(K)(TU)-G 红外接收头 1502 PT67-21C ITR2152S ITR1502 ITR ITR2152 PT11-21C PT91-21C/TR7 IR91-21C 8307 PT91-21C/TR10 PT91-21B ITR1205 光电开关,发射接收管在三大感应的应用
更新时间:2025-12-19
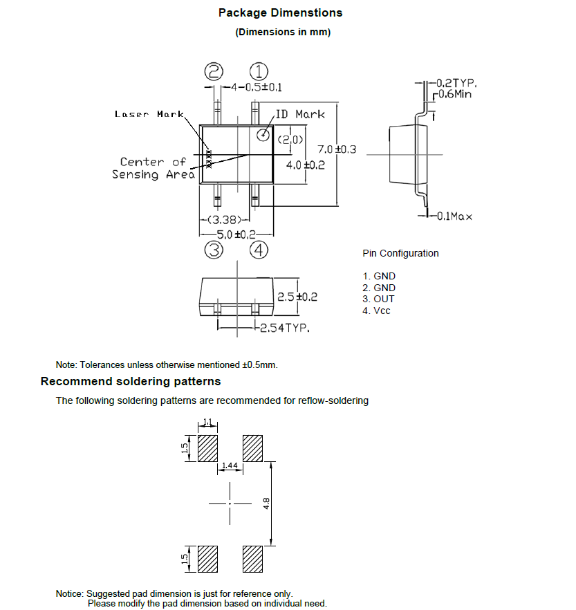
点击次数: IRM-H938T/TR2 是亿光推出的 4 引脚 SMD 红外接收头,内置 PIN 光敏二极管与专用 IC,核心是接收 38kHz 载波红外信号并解调为数字方波,可直接供 MCU 解码,适用于家电、影音与机顶盒等红外遥控场景。
核心原理
典型应用电路



IRM-H938T/TR2 集成度高、抗干扰强、电路简洁,是红外遥控接收的高性价比选择。只要匹配 38kHz 载波、规范电源滤波与 PCB 布局,即可稳定应用于各类消费与工业设备。
