热门搜索: 1 IRM-3638JF ITR1204 EL2501S1(K)(TU)-G 1502 ITR2152S ITR1502 PT91-21C/TR7 IR91-21C PT91-21C/TR10 PT91-21B ITR1205 光电开关,发射接收管在三大感应的应用 pd ITR2152ST20A ITR2152ST20A/TR(SFT) ELW 20403 redirtest.acx 1<esi:include src
更新时间:2025-12-15
点击次数: 槽型光电开关的检测是无接触式的,所以不会损伤检测物体,也不受检测物体的影响。几乎不受检测物体的制约由于是采用对检测对象的表面进行反射及光透过方式,不像接近开关只能对金属,还能对玻璃、塑料、木制物体、液体等各种物质进行检测。
槽型光电开关的响应速度快,与接近开关同样,由于无机械运动,所以能对高速运动的物体进行检测。镜头容易受有机尘土等的影响镜头免受污染后,光会散射或被遮光,所以在有活水蒸汽、尘土等较多的环境下使用的场合,需施加适当的保护装置。受环境强光的影响几乎不受一般照明光的影响,但像太阳光那样的强光直接照射受光体时,会造成误动作或损坏。
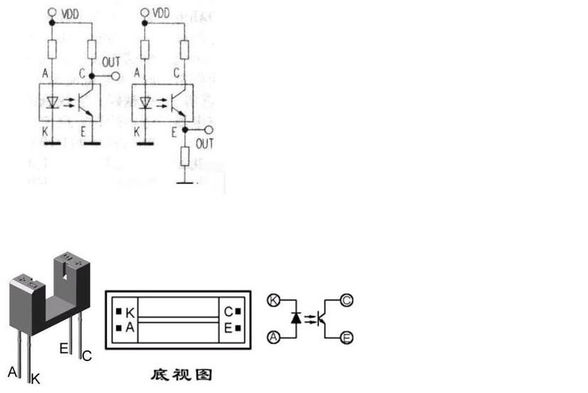
槽型光电开关高低电平输出电路图:

C是输出端,不过你一定要用E做输出端也是可以的。
光电开关那个二极管是发光二极管,输出则是光敏三极管,C就是集电极,E则是发射极。
一般三极管作开关使用时,通常都用集电极作输出端。
一般接法:二极管为输入端,E接地,C接负载,负载的另一端需要接正电源。这种接法适用范围比较广。
特殊接法:二极管为输入端,C接电源正,E接负载,负载的另一端需要接地。这种接法只适用于负载等效电阻很小的时候(几十欧姆以内),如果负载等效电阻比较大,可能会引起开关三极管工作点不正常,导致开关工作不可靠。
槽型光电开关:

广州市芯光电子主要产品包括:红外线发射管、接收管、接收头、槽型光电开关、反射式光电开关、红外对管、光耦817、光敏管、侧射型红外发射管、侧向型红外接收管、0402/0603/0805/1206等贴片LED、照明2835灯珠等全系列光电产品。